Model: JZF01
JZF01 series Shutoff valve, is a kind of movable armature type magnetic valve with strong suction, which can control the flow of gas through the control current on the coil, which are widely used in the gas water heater, combine gas boilers and other gas appliances automatic on off control.
Details
Main technical parameters:
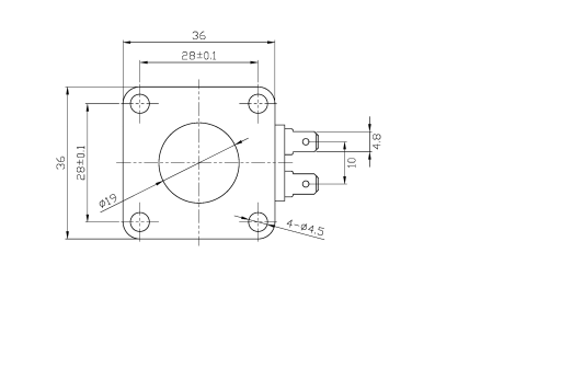
Product installation dimension drawing:

|
Section |
Parameter |
|
Rated voltage |
DC24V / DC110V / DC220V |
|
工作行程 |
3±0.2mm |
|
装阀深度 |
19±0.1mm |
Product installation dimension drawing:








Egypt