型号: GPV01-05A0
主要技术参数:
|
项 目 |
参 数 |
|
|
基本参数 |
适用气种 |
液化气、天然气 |
|
使用压力 |
5kPa 以下 |
|
|
阀口通径 |
Φ14mm |
|
|
安装方向 |
进气口竖直向下,斜度5度以内 |
|
|
工作环境温度 |
-20~60oC |
|
|
电气性能 |
截止阀额定电压 |
DC24V / DC110V / DC220V |
|
截止阀开阀电压 |
≤DC19V / ≤DC80V / ≤DC176V(加压5KPa) |
|
|
截止阀闭阀电压 |
DC2~9V / DC16.5~45V / DC33~80V |
|
|
比例阀驱动电流 |
DC 0~300mA 恒流源 |
|
|
气密性 |
一级气密性 |
≤10ml/h(加压15KPa/0.6KPa) |
|
二级气密性 |
≤30ml/h(加压15KPa) |
|
|
外部气密性 |
≤10ml/h(加压15KPa) |
|
|
比例特性 |
I-P2比例特性 |
可按用户要求设定,在工作电流范围内,I-P2曲线呈线性 |
|
P1-P2稳压特性 |
符合GB6932-94要求,后压变化不大于5%P2+30Pa |
|
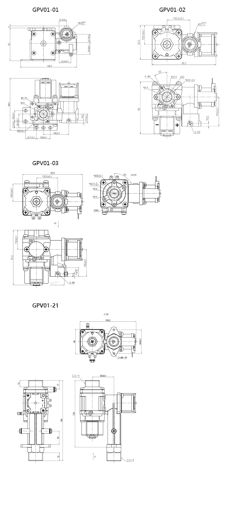
产品安装尺寸图:

主要技术参数
|
项 目 |
参 数 |
|
|
基本参数 |
适用气种 |
液化气、天然气、人工气 |
|
使用压力 |
5kPa 以下 |
|
|
阀口通径 |
Φ14mm |
|
|
安装方向 |
进气口竖直向下,斜度5度以内 |
|
|
工作环境温度 |
-20~60ºC |
|
|
电气性能 |
截止阀额定电压 |
DC24V / DC110V / DC220V |
|
截止阀开阀电压 |
≤DC19V / ≤DC80V / ≤DC176V(加压5KPa) |
|
|
截止阀闭阀电压 |
DC2~9V / DC16.5~45V / DC33~80V |
|
|
比例阀驱动电流 |
DC 0~300mA 恒流源 |
|
|
气密性 |
一级气密性 |
≤10ml/h(加压15KPa/0.6KPa) |
|
二级气密性 |
≤30ml/h(加压15KPa) |
|
|
外部气密性 |
≤10ml/h(加压15KPa) |
|
|
比例特性 |
I-P2比例特性 |
可按用户要求设定,在工作电流范围内,I-P2曲线呈线性 |
|
P1-P2稳压特性 |
符合GB6932-94要求,后压变化不大于5%P2+30Pa |
|
产品安装尺寸图
比例特性曲线
稳压特性曲线








Egypt